-
Главная
-
Каталог продукции
-
Для гражданского строительства
-
Плиты
- Плиты каналов и колец, с. 3.006.1-2.87
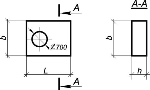
Плиты каналов и колец, с. 3.006.1-2.87
Описание
|
N |
Марка изделия |
Размеры, мм |
Класс бетона |
Расход материалов |
Масса изделия, т |
|||
|
L |
b |
h |
Бетон, м3 |
Сталь, кг |
||||
|
1 |
ПО2 |
1450 |
1500 |
120 |
В25 |
0,22 |
27 |
0,55 |
|
2 |
ПО3 |
1750 |
1500 |
160 |
В25 |
0,36 |
37,5 |
0,9 |
|
3 |
ПО2К |
1450 |
1500 |
120 |
200 |
0,22 |
27 |
0,55 |
|
4 |
ПО3К |
1750 |
1750 |
160 |
200 |
0,43 |
46,09 |
0,9 |

